| Unexpected bends in Layered Layout [message #1802223] |
Mon, 04 February 2019 11:06  |
Eclipse User |
|
|
|
Hi everybody,
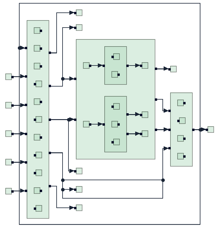
I'm using the LayeredLayoutProvider to lay a graph out. However, by doing so, unexpected routings are generated for edges. For instance :

This happens even though I have set the following option upon defining the root
graph.setProperty(CoreOptions.EDGE_ROUTING, EdgeRouting.ORTHOGONAL);
Are there certain options that have to be configured properly beforehand in order for these weird edges not to be generated ?
Also, when comparing the JSON generated from the graph before and after its layout, it appears that certain edges get multiplied, leading to redundancies. Is there a way to avoid this phenomenon ?
You can find attached a JSON file representing the graph illustrated before.
Thanks in advance for your precious help
Attachment: graph.json
(Size: 208.96KB, Downloaded 166 times)
[Updated on: Mon, 04 February 2019 11:07] by Moderator
|
|
|
|
| Re: Unexpected bends in Layered Layout [message #1802954 is a reply to message #1802538] |
Tue, 19 February 2019 10:26  |
Eclipse User |
|
|
|
Hi Baptiste,
sorry for the late reply.
Laying out your graph with the current development version in our Eclipse environment yields a correct layout (see attachment). Thus the following questions:
- Are you using the Java or JavaScript versions of our libraries?
- Which version are you running?
Cheers,
Chris
|
|
|
Powered by
FUDForum. Page generated in 0.03542 seconds